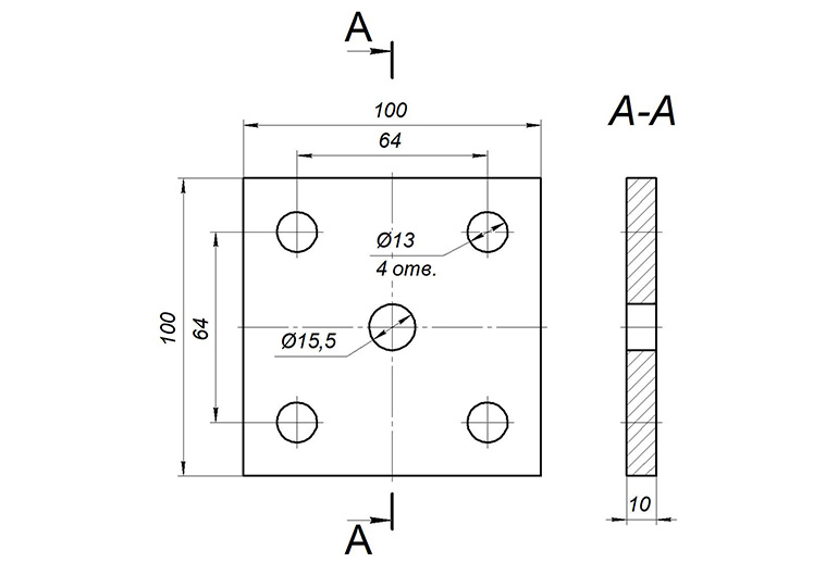
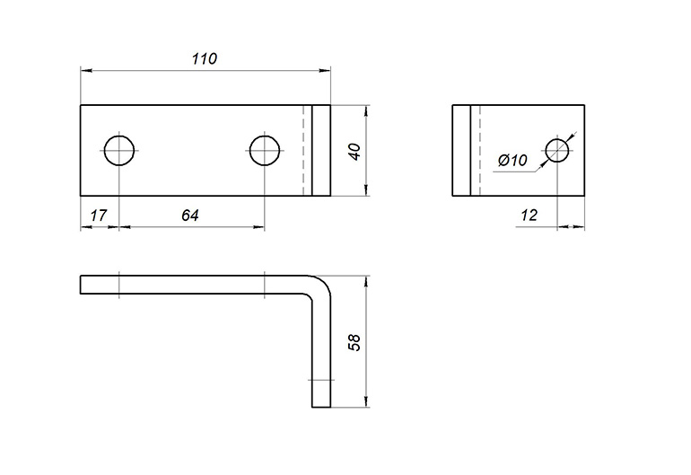
Крепление оси 750 кг к рессоре





Описание товара:
Крепление оси 750 кг к скользящей рессоре типа AL-KO.
Подходит к рессорной оси с нагрузкой не более 750 кг с квадратным профилем 50х50 мм.
Имеется проушина для крепления амортизатора.
Крепление пластин осуществляется болтами М12х120 мм с гайками (4 шт, в комплект не входят).
Артикул:
В наличии
Цена по запросу